dynamic torque sensor
動態扭矩傳感器
TTM-N208
Characteristtic特性
抗干擾性強,精度高穩定性好,輸出信號數位化功能,體積小,重量輕,易於安裝,能源及信號非接觸傳遞功能,傳遞信號時與是否旋轉、轉速和轉向無關,不需要反複調零即可連續傳遞正反扭矩信號,沒有集流環等磨損件,可高轉速長時間運行,外殼與旋轉盤之間無軸承,可適應長時間高速運轉,可以傳遞靜止/旋轉/靜態/動態扭矩信號。
.jpg)


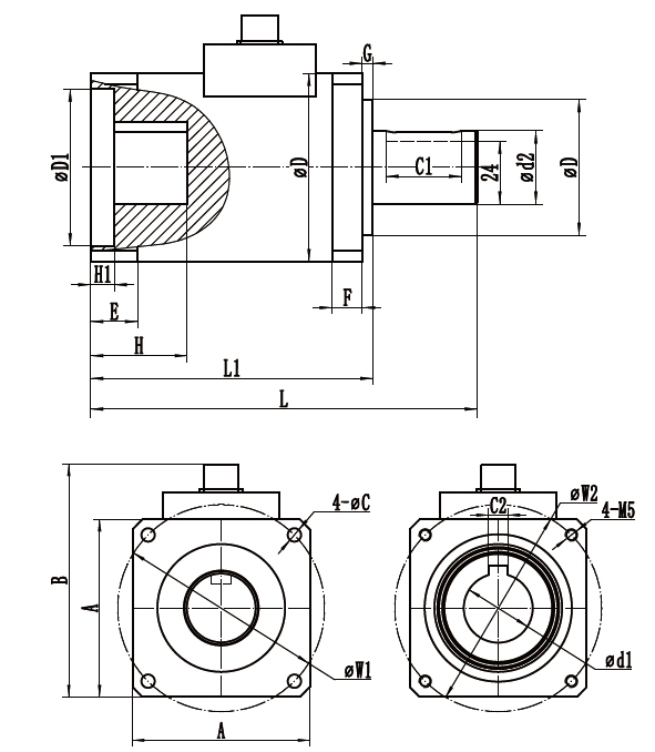
External Dimension外形尺寸
Parameters Table參數表
.png)
TTM-N502

External Dimension外形尺寸
Parameters Table參數表
TTM-N200

.jpg)
Characteristic 特性
- 將當前測量的扭矩值與轉速值即時顯示。
The current measured torque value and speed value are displayed in real time. - 可以直接計算出當前功率值。
The current power value can be calculated directly. - 支援RS485通信,支援主動上傳協定。
Support RS485 communication and active upload protocol - 通信速率可達每秒500次或1000次。
The communication rate can reach 500 or 1000 times per second. - 本感測器支援變送送電流與變送電壓同時輸出。
The sensor supports simultaneous output of transmitting current and transmitting voltage. - 感測器自帶 OLED顯示,解析度為128*64。
The sensor has an OLED display with a resolution of 128 * 64. - 可以進行簡單的標定、清零、濾波等操作。
It can carry out simple calibration, zero dearing, pltering and other operations. - 允許感測器超載200%。
The sensor is allowed to overload 200%. - 精度實現了1/1000以上的精度,優秀的零點穩定性。
The accuracy is more than 1 / 1000 and the zero point stability is excellent.
Application 應用領域
電/氣動扭矩扳手
Electric / pneumatic torque wrench.
檢測各種加工中心自動機床工作過程中的扭矩。
Inspection of variousmachining centers During the operation of automatic machine tool Torque.
檢測電動機、內燃機等旋轉動力設備
Testing motor, internal combustion engine and other rotating power equipment.
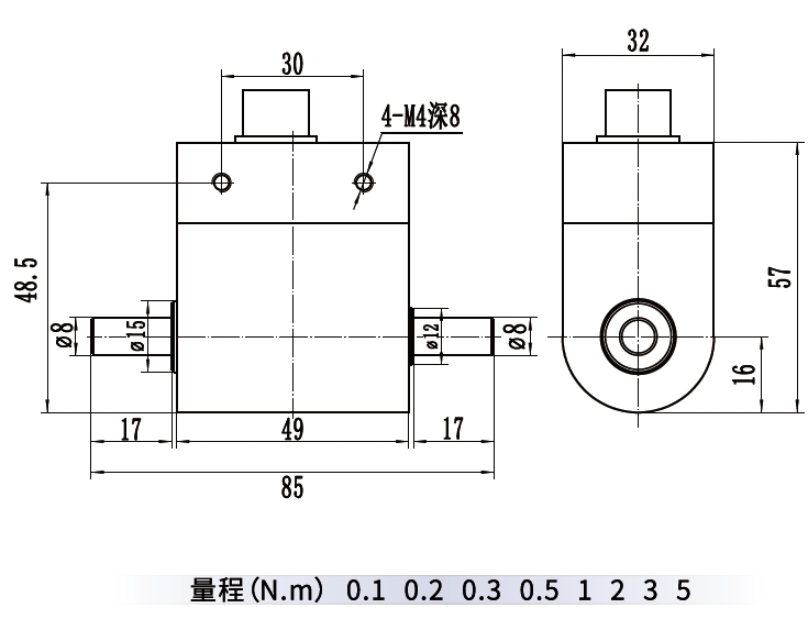
External Dimension外形尺寸







Parameters Table參數表
TTM-N210
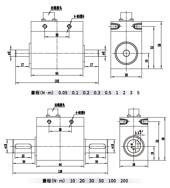
External Dimension外形尺寸

Parameters Table參數表

TTM-N210D

External Dimension外形尺寸


Parameters Table參數表

TTM-N204
Characteristic 特性
- 電阻應變為敏感元件和積體電路構成的一體產品。
Resistance strain is an integrated product composed of sensitive elements and integrated circuits. - 精度高,性能穩定可靠。
High precision, stable and reliable performance. - 可高速長時間運轉。
High speed and long time operation. - 輸出正反轉扭矩信號。
Output positive and reverse torque signa. - 本兩端均為鍵連接。
Both ends are key connected. - 最高轉速不超過4000轉/分鐘。
The maximum speed shall not exceed 4000 rpm.
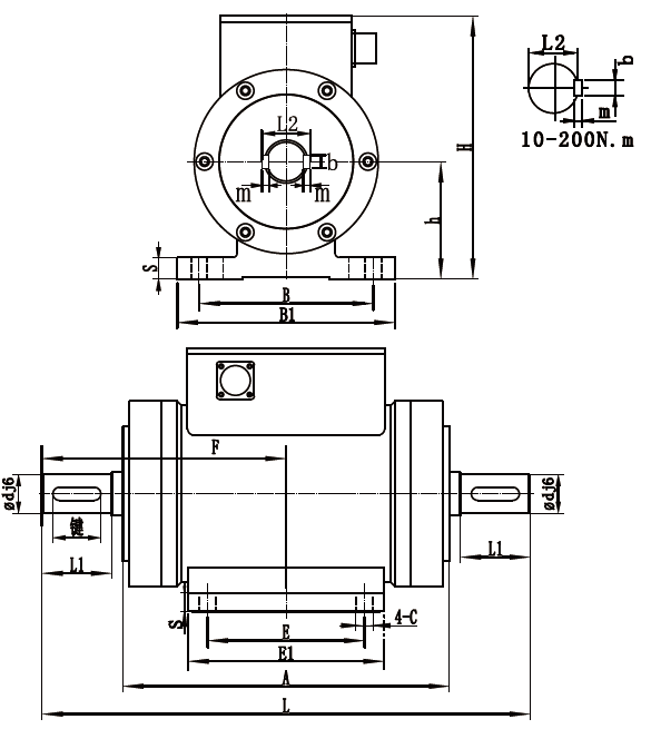
External Dimension外形尺寸
Parameters Table參數表

TTM-N205


External Dimension外形尺寸

Parameters Table參數表

TTM-N206


External Dimension外形尺寸
Parameters Table參數表
Application 應用領域
1.檢測各種加工中心、自動機床工作過程中的扭矩
2.電/氣動扭矩扳手
1. Inspection of various machining centers During the operation of automatic machine tool Torque.
2. Electric/pneumatic torque wrench.
1.檢測電動機、內燈機等旋轉動力設備
1. Testing motor,internal combustion engine and other rotating power equipment.
TTM-N207

Characteristic 特性
- 它主要用於緊固機、電動扳手、馬達輸出扭力、馬達、齒輪箱、扭力扳手等的扭力檢測和扭力保護系統。
It is mainly used for torque detection and torque protectionsystem of tightening machine, electric wrench, motor outputputtorque, motor, gearbox, torque wrench, etc.
External Dimension外形尺寸
Parameters Table參數表









